學習如何從頭開始構建數控機床比您想象的要容易。我們將 DIY 過程分解為一系列易于初學者遵循的步驟。從購買零件到安裝軟件,我們的 DIY 指南將指導您如何輕松制造自己的數控機床。
什么是數控機床?
CNC機床是一種自動化的電動工具,利用計算機程序控制電機帶動X、Y、Z三個軸按照G代碼指令,沿著CAD/CAM軟件生成的刀具路徑來回移動,最終通過主軸上的刀具完成雕刻、切割、銑削等加工結果。
要考慮的事情
提到數控機床,大家就會想到它的高昂成本、復雜的編程操作,讓人感覺高深莫測。其實我們認識和學習數控機床,都是通過一些簡單而 低成本數控機床使我們從一名初學者升級為現代數控技術的專家。DIY數控機床的難度在于機床套件成本高、加工難度大,而軟件的設置和使用相對簡單。經過一個月的學習和研究,我決定用當地現有的材料,自己動手組裝一套 Mach3 控制的數控機床。
建筑難度: 中等。
建筑工期: 16天。
DIY工具: 臺鉗、電鉆、手鋸、試樣沖頭、絲錐、鉸刀、卡尺、彎管機和螺絲。
新會員入門指南
本指南致力于介紹如何創建具有以下功能的功能性數控機床。
1、龍門結構穩定性好,加工幅面大,緊湊輕巧的臺式設計,輕巧方便攜帶。
2. 可用于切割和銑削 PCB、PVC、丙烯酸、MDF、木材、鋁和銅。
3、其加工精度可達0.1mm,能滿足大多數PCB板、模具、印章、標牌的要求。
4.成本低于1,000美元,且組裝方便、簡單。
5.所用零部件及原材料均可在當地找到或購買,減少后顧之憂。
6.DIY過程不需要太復雜的工具。
7.Mach3控制器,使用方便。
8、主軸采用步進電機驅動,精度高。
如何構建數控機床結構?
本數控機床采用固定龍門結構,整機分為基臺、龍門架、X軸拖板、Y軸工作臺、Z軸拖板,Y軸工作臺的驅動步進電機固定在底板上,絲桿,并有2根光桿和龍門架作為Y軸工作臺滑動導軌。
龍門架上固定有X軸拖板的驅動步進電機、絲杠及作為X軸拖板滑動導軌的兩根光滑桿;X軸拖板上固定有Z軸拖板的驅動步進電機、絲杠及作為Z軸拖板滑動導軌的兩根光滑桿。
主軸箱體上裝有L型固定支架和U型擋圈,用于將主軸固定在Z軸滑架上。
與絲杠配合的螺母焊接在X、Y、Z軸的拖板上。
如何制作數控機床電路?
該電路由X軸Y軸Z軸3個相同的步進電機驅動部分組成,現以X軸為柱說明其工作原理。

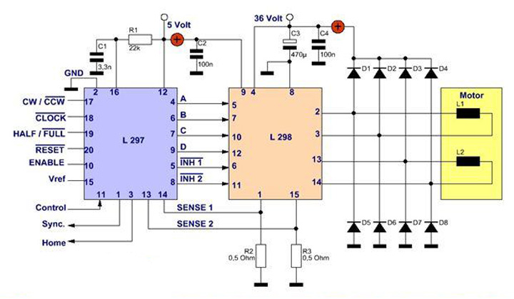
采用 L297/L298 的步進電機驅動電路
該電路主要由2片步進電機專用驅動集成電路L297、L298組成,L297主要作用是脈沖分配,在其輸出端A、B、C、D產生輸出邏輯脈沖,驅動L298,L297還帶有2個PWM斬波器,控制相繞組電流,實現恒流斬波控制,以獲得良好的力矩頻率特性。
來自HDR1(2腳)的X軸脈沖進入U18(L1)的CLOCK(297腳),經U1在其輸出端A、B、C、D、C(4、6、7、9腳)處理,產生輸出邏輯脈沖,進入U2(L298)在其輸出端(2、3、13、14腳)驅動雙H橋輸出步進脈沖,驅動步進電機轉動。
L298是雙H橋高壓大電流功率集成電路驅動器。
L297與L298組成完整的驅動系統,可驅動2相步進電機,最高電壓46V,每相電流2A。
U1的SYNC(1腳)為同步腳,與U1、U3的5腳相連,實現多個L297的同步。

步進電機驅動器控制板
U10的ENABLE(腳1)使能控制腳,控制輸出邏輯,低電平時INH1、INH2、A、B、C、D均被強制為低電平,使L298驅動器不工作。CONTROL(腳11)用于選擇斬波信號的控制,低電平時斬波信號作用于INH1、INH2,高電平時斬波信號作用于A、B、C、D信號。前者適用于單級工作方式,此2種方式可用于雙極工作方式的步進電機。
S15U1的VREF(引腳1)為參考電壓調節引腳,調節此引腳的電壓來設定步進電機相繞組的峰值電流。

步進電機驅動器套件
U17的cw/ccw(引腳1)是指定X軸步進電機旋轉方向的引腳,來自HDR1(引腳6)的X軸方向指定信號連接到此引腳。
HALF/FULL(腳19)為勵磁模式控制腳,高電平時為半步驅動模式,低電平時為全步驅動模式。RESET(腳20)為異步復位信號,其作用是復位脈沖分配器。
D3-D26 是 L298 驅動器 H 橋的續流二極管。
如何設置 Mach3數字控制器?
Mach3是數控機床最常用的CNC控制器,它的安裝很簡單,首先將Mach3運動卡插入電腦主板,在Windows操作系統中會默認安裝Mach3驅動。

USB Mach3三軸數字控制器套件
您還可以選擇 DSP、NcStudio、Mach4、Syntec、OSAI、Siemens、LNC、FANUC 和其他數字控制器。
如何安裝和使用 CAD/CAM 軟件?
數控機床最常見的 CAD/CAM 軟件包括 Type3、ArtCAM、Cabinet Vision、CorelDraw、UG、MeshCAM、Solidworks、AlphaCAM、MasterCAM、UcanCAM、CASmate、PowerMILL、Aspire、Alibre、AutoCAD、Fusion360、Autodesk Inventor、Rhinoceros 3D,可以設計 2D/3D 圖紙來生成加工刀具路徑。

CAD / CAM軟件
如何組裝數控機床套件?
底板、X軸滑架、Y軸工作臺、Z軸滑架采用1.5米折彎機加工而成。2mm 冷軋鋼板,這樣能保證最理想的加工精度。如果沒有折彎機,也可以用手錘在大臺鉗上手工折彎。手錘加工時,應在工件上加墊鐵,避免在工件上留下錘痕。折彎后還要進一步整形,各平面不翹曲,相互成90度角。為保證沖孔位置正確,與第1條劃線平行和垂直的劃線針的針尖要細,劃線要準確,樣品沖頭定位插座要仔細準確。

數控機床套件
例如分6次打一個直徑2mm的孔,先用直徑4mm的鉆頭打孔,根據十字定位線判斷直徑4mm的孔是否準確,如果不準確,用園什銼修正,最后用擴孔器擴孔。 6mm鉆頭,這樣孔位誤差就比較小。
龍門架可用手鋸從防靜電地板鐵龍骨上切割下來,壁厚為1.2mm 根據圖紙,在虎鉗上進行折彎加工定型即可。作為X、Y、Z三軸導軌使用的燈條要求表面光滑,直徑3-10mm解決方法:拆下舊針式打印機的滑軌和舊激光打印機墨盒的上墨膠輥,各方向2根光滑桿應等長,端面平整,在端面中心鉆孔,用M5絲攻絲,用 5mm 螺栓。做工一定要水平、垂直,特別是各個方向的2個燈條一定要絕對平行,平行度很重要,決定了生產的成敗。
3軸的絲杠為直徑為 6mm,螺距為 1mm此絲杠可從五金店出售的用于天花板裝飾的長絲杠上切取所需長度,阻力和間隙要小,并在拖板相應的孔內焊接螺母,以盡量減少間隙,提高雕刻機的精度。
滑套是在五金店購買的黃銅軟管接頭,需選擇內徑略小于滑桿直徑的,然后用手動鉸刀將內徑擰緊到與滑桿精確匹配。必要時用金相砂紙打磨光軸,將滑套切成6mm長的段,共12段,然后用大功率烙鐵將其焊接到滑架相應孔內。焊接時切勿將滑套放入,如果焊料滲透到里面,請使用氯化鋅作為助焊劑,保證焊接質量。裝配時要注意滑臺的阻力要小而一致,如果阻力大,可以用烙鐵重新加熱滑套,直到達到要求。
步進電機軸與絲桿通過一根銅管連接 6mm直徑的桿狀天線。絲桿與銅管焊接牢固,保證同心。銅管另一端穿入步進電機軸,然后打水平孔。用銷釘插入小孔固定,絲桿另一端用螺母焊接在滑架上。
這種數控機床可以根據自身材料的大小尺寸靈活控制,但整機不宜太大,避免剛性差。
如何操作數控機床?
CNC加工前應事先準備好加工程序清單:
1、確定零件的加工工序和加工所采用的刀具和切削速度。
2、確定零件的輪廓連接點。
3、設置起刀、收刀位置及坐標原點的位置。
按規定的語句格式編寫數控指令集,將指令集輸入數控裝置進行處理(譯碼、運算等),經過驅動電路將信號放大,驅動伺服電機輸出角位移、角速度,再通過執行元件轉換成工作臺的直線位移,實現進給。
讓我們按照以下 9 個步驟開始操作數控機床。
步驟1.CNC編程。
加工前應先對數控程序進行分析、編制,如果程序較長或復雜,不要在數控機床上編程,而是用編程器或計算機編程,然后通過軟盤或通訊接口備份到數控機床的數控系統中,這樣可避免占用機床時間,增加加工的輔助時間。
第 2 步。打開機器。
一般先接通主電源,使數控機床具備開機條件,用鑰匙按鈕啟動數控系統,同時機床通電,數控系統的CRT顯示信息,夾鉗及其他輔助設備的連接狀態。
步驟3.設置實體參考點。
加工前先建立機床各坐標的運動基準,對于加控制系統的機床需先進行此步驟。
步驟4.開始CNC編程。
根據程序介質(磁帶、磁盤)不同,可用磁帶機、編程器或串行通訊輸入。如果是簡單程序,可用鍵盤在CNC控制面板上直接輸入,也可以在MDI方式下逐段輸入,進行遠程分段加工。加工前還必須在程序中輸入工件原點、刀具參數、偏置、各種補償值等。
步驟5.程序編輯。
如需修改已輸入的程序,應將工作方式選擇開關置于編輯位置,用編輯鍵進行添加、刪除、修改。
第六步,程序檢查和調試。
首先鎖住機床,只運行系統,這一步是檢查程序,如果有錯誤,需要重新編輯。
步驟7.工件固定與對準。
將要加工的工件固定、找正,建立基準。方法采用機床手動增量移動、連續移動或手動輪動。將起始點設為程序的開始處,并設定刀具的基準。
步驟8.開始CNC加工。
連續加工一般采用內存中的程序添加方式。數控加工中的進給速度可通過進給速度開關調整。加工過程中,可按進給保持按鈕暫停進給運動,觀察加工情況或進行手動測量。再次按循環啟動按鈕,可恢復加工。為確保碗形正確,添加前應重新檢查。銑削過程中,對于平面彎曲件,可用鉛筆代替刀具在紙上畫出零件的輪廓,更直觀。如果系統有刀具路徑,可用仿真功能檢查程序的正確性。
步驟9.關閉機器。
添加后,關閉電源前注意檢查數控機床狀態及機床各部件位置,先關閉機床電源,再關閉系統電源,最后關閉主電源。
常見問題
自己可以建造多少種類型的數控機床?
最常見的可自行制作的數控機床類型包括數控雕刻機、CNC 車床、數控銑床、數控磨床、CNC 鉆床、數控激光器和數控等離子切割機。
組裝數控機床套件需要花多少錢?
DIY數控機床套件的成本包括計算機、控制板、機器零件和配件。大部分成本集中在硬件上,這取決于您對數控加工計劃所需的精度,平均成本在 1,000 美元以下。
數控機床可以做什么?
數控機床可以對金屬、木材、塑料、泡沫、織物和石材進行銑削、車削、切割、雕刻、雕花、標記、研磨、彎曲、鉆孔、清潔、焊接。
主軸電機該如何選擇?
主軸電機是數控機床的核心部件。您需要根據您的業務計劃購買合適的主軸電機,這完全取決于您要加工的材料和項目所需的精度。
如何選擇傳動系統?
一個是傳動系統的選擇是選擇絲杠還是滾珠絲杠,這里我其實建議選擇滾珠絲杠要好很多,雖然我用的是導螺桿,但是我還是建議選擇滾珠絲杠,滾珠絲杠的精度高,旋轉誤差小,而且在傳動的過程中,聲音很小,而絲杠的傳動過程是金屬與金屬之間的摩擦,雖然聲音不是很大,但是摩擦時間長了之后旋轉誤差會越來越大。
如何選擇步進電機?
只要數控機床在工作,步進電機就在工作。如果電機選擇不當,那么第一電機很容易發熱。機床剛開始工作的時候電機就很燙,這應該不是我們想要的。電機的力矩也是一個需要考慮的問題,力矩不足很容易丟步。所以選擇步進電機的時候不要貪多。
注意事項
無論您是在構建 經濟實惠的數控雕刻機無論是自己動手制作最便宜的數控車床,還是自己動手制作最便宜的數控銑床,首先要注意的就是數控機床的電源。機床上有1個步進電機和一個主軸電機,因此數控機床在使用過程中電流很大。購買直流電源時,應購買額定電流較大的直流電源。主軸電機轉速的決定因素是直流電源的電壓,電壓越高,主軸能轉的最大轉速就越快,所以電壓不能太小。
綜上所述,我建議自制數控機床的額定電壓在30V左右,額定電流至少 10A 保證機器的正常工作。30V的電壓主要用在主軸電機上,步進電機不需要那么高的電壓。因為步進電機是絲杠驅動的,所以電壓小了扭力還可以做大。所以我建議供給步進電機的電壓只要12V就夠了。步進電機用的是12V,但是直流電源提供的電壓是30V,這里就需要用到一個變壓器,這個變壓器的功率要大,3個步進電機的電流都要經過這個變壓器,變壓器的散熱跟不上,導致發熱嚴重。





